Indeks: M-QC10-80-720
Marka: Morkom
Kurtyna bezpieczeństwa M-QC10-80-720mm
Kurtyna bezpieczeństwa M-QC10-80-720mm wysokość ochrony: 720mm
Indeks: M-QC10-80-720
Marka: Morkom
Kurtyna bezpieczeństwa M-QC10-80-720mm wysokość ochrony: 720mm
Indeks: LPF75
Marka: Morkom
Potencjometr liniowy LPF 75mm długość pomiaru: 75mm
Indeks: M-QA04-200-600
Marka: Morkom
Kurtyna bezpieczeństwa M-QA04-200-600mm wysokość ochrony: 600mm
Indeks: M-QA18-40-680
Marka: Morkom
Kurtyna bezpieczeństwa M-QA18-40-680mm wysokość ochrony: 680mm
Indeks: M-QA08-200-1400
Marka: Morkom
Kurtyna bezpieczeństwa M-QA08-200-1400mm wysokość ochrony: 1400mm
Indeks: MPL-XXS-100
Marka: Morkom
Miniaturowy potencjometr linkowy MPL-XXS 100mm
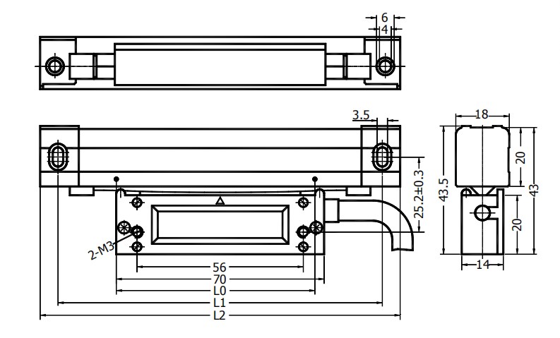
Liniał optyczny MORKOM KA500-70mm
długość pomiarowa: 70mm
Polityka bezpieczeństwa
Zasady dostawy
Zasady zwrotu
Liniał optyczny MORKOM KA500-70mm
długość pomiarowa: 70mm
liniał małogabarytowy: 18mm x 43.5mm (profil + głowica)
Podstawowe cechy:
Sygnały: A/A, B/B, Z/Z
Wyjście: 5V TTL lub RS-422A
Rozdzielczość: 0.005mm lub 0.001mm
Dokładność: ± 3 μm/m
Podwójne uszczelnienie
Wysoka odporność na wstrząsy i drgania
Łatwy montaż
Kompaktowa aluminiowa obudowa
Typowe aplikacje:
-centra obróbkowe,
-tokarki, frezarki, wiertarki, szlifierki,
-obrabiarki elektroiskrowe (EDM electrical discharge machines),
-maszyny do obróbki blachy,
-urządzenia do spawania,
-giętarki,
-roboty przemysłowe,
-maszyny do obróbki drewna, szkła, tworzyw sztucznych,
-itp.
Dane techniczne:
|
Rozdzielczość |
5 µm lub 1 µm |
|
Wyjście |
TTL, RS422 |
|
Sygnały wyjściowe |
A/A, B/B, Z/Z |
|
Zasilanie |
5 V (na zamówienie 12V, 24V, 36V) |
|
Punkt referencyjny |
Do 1m, znacznik referencyjny co 50 mm,od metra i wyżej, znacznik referencyjny co 100 mm |
|
Powtarzalność |
+/- 3 µm |
|
Prędkośc przesuwu max. |
120 m/min |
|
Stopień ochrony |
IP55 |
|
Długość kabla |
3 mb |
|
Temperatura pracy |
-10°C ÷ +50°C |
|
Temperatura składowania |
-20°C ÷ +80°C |
|
Materiał obudowy |
Aluminium |
|
Wymiary |
18mm x 43.5mm (profil + głowica) |
Wymiary:

L0: długość pomiarowa
L1: odległość pomiędzy otworami montażowymi
L2: całkowita długość liniału
L1=L0+90mm
L2=L0+106mm
Na razie nie dodano żadnej recenzji.
Indeks: KA500-220-00X
Marka: Morkom
Liniał optyczny MORKOM KA500-220mmdługość pomiarowa: 220mm
Indeks: KA500-270-00X
Marka: Morkom
Liniał optyczny MORKOM KA500-270mmdługość pomiarowa: 270mm
Indeks: KA500-620-00X
Marka: Morkom
Liniał optyczny MORKOM KA500-620mmdługość pomiarowa: 620mm
Indeks: KA500-470-00X
Marka: Morkom
Liniał optyczny MORKOM KA500-470mmdługość pomiarowa: 470mm
Indeks: KA500-520-00X
Marka: Morkom
Liniał optyczny MORKOM KA500-520mmdługość pomiarowa: 520mm
Indeks: KA500-170-00X
Marka: Morkom
Liniał optyczny MORKOM KA500-170mmdługość pomiarowa: 170mm
Indeks: KA500-320-00X
Marka: Morkom
Liniał optyczny MORKOM KA500-320mmdługość pomiarowa: 320mm
Indeks: KA500-120-00X
Marka: Morkom
Liniał optyczny MORKOM KA500-120mmdługość pomiarowa: 120mm
Indeks: KA500-570-00X
Marka: Morkom
Liniał optyczny MORKOM KA500-570mmdługość pomiarowa: 570mm
Indeks: KA500-370-00X
Marka: Morkom
Liniał optyczny MORKOM KA500-370mmdługość pomiarowa: 370mm
Indeks: KA500-420-00X
Marka: Morkom
Liniał optyczny MORKOM KA500-420mmdługość pomiarowa: 420mm
Liniał optyczny MORKOM KA500-70mm
długość pomiarowa: 70mm